Suis-je éligible à une réduction des droits d’enregistrement ?
Stanley 40
PRIX : 265 000€
Type: Appartement | Région: Bruxelles | Commune: Uccle
Situé à Uccle, dans le quartier Bascule/Vanderkindere et ses nombreux commerces, appartement 1 chambre + terrasse. Il se compose d'un séjour lumineux, d'une chambre avec terrasse, d'une salle de douche et d'un WC séparé. Cave privative.
Surface habitable: 51.33 m² NET
Chambre: 1
Salle de douche: 1
Cave: 1
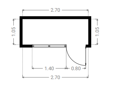
Balcon: 1
Vidéo
Découvrez le bien en visualisant cette vidéo
VISITE VIRTUELLE
Vous voulez en voir plus ? Visitez le bien comme si vous y étiez à travers cette visite virtuelle
Localisation
Ce bien vous correspond ? Découvrez maintenant si sa localisation vous convient !
Commerces
Pharmacies
Restaurants
Boulangeries
Crèches
Parcs
Écoles
Universités
Déplacements
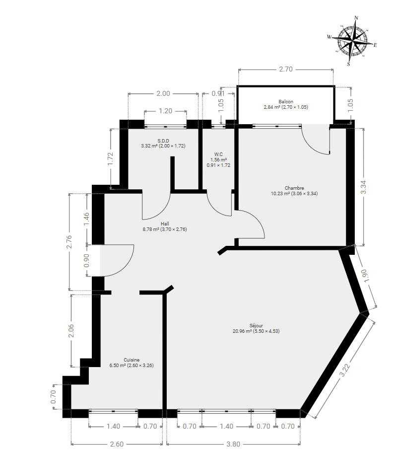
Plans intérieurs
3e étage
SURFACE TOTALE : 54.16 m² | SURFACE HABITABLE : 51.33 m m² | PIÈCE(S) : 6
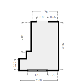
1x Cuisine
1x Hall
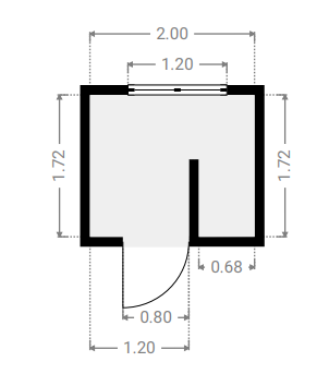
1x S.D.D
1x W.C
1x Chambre
1x Balcon
1x Sejour
Cuisine
SURFACE : 6.5 m²
Hall
SURFACE : 8.78 m²
S.D.D
SURFACE : 3.32 m²
W.C
SURFACE : 1.56 m²
Chambre
SURFACE : 10.23 m²
Balcon
SURFACE : 2.84 m²
Sejour
SURFACE : 20.96 m²
RECHERCHE CADASTRALE
Vous souhaitez mieux connaître votre parcelle et connaître la surface dont vous jouirez en achetant ce bien, alors consulter le cadastre est nécessaire !
État des sols
La pollution du sol a un impact sur l'environnement et sur la
santé, les risques d’inondation ont un impact sur votre qualité de vie… Consultez les données
relatives à ce bien pour en avoir le cœur net !
ÉTAT DE LA POLLUTION DES SOLS
Aucune remarque particulière pour la parcelle C1l53
Source : Cliquez-ici
Légende :
ZONE INONDABLE
Aucune remarque particulière pour la parcelle C1l53
Source : Cliquez-ici
Légende :
Certificats
Informez-vous sur la performance énergétique de ce bien et assurez-vous que ses installations électriques sont bien aux normes !
PERFORMANCE ÉNERGÉTIQUE
Économe
Très énergivore
CERTIFICAT ÉLECTRIQUE
PROCES VERBAL D’EXAMEN DE CONFORMITE ET/OU DE VISITE DE CONTROLE D’UNE INSTALLATION ELECTRIQUE BASSE TENSION
La nouvelle installationConforme
Agent
visiteur
Vincent Benoit
Date
de certification
21/10/2020
Visite de contrôle
à effectuer avant le
21/10/2045
SYNTHÈSE DES CHARGES
Des dépenses seront nécessairement engagées pour l’administration de la copropriété, son entretien, l’installation d’équipements et la maintenance de ces derniers. Evaluez dès à présent le montant de vos charges mensuelles !
Assemblées générales
Extrait des derniers procès-Verbaux des assemblées générales
Charges et répartition
1- Charges
Ce tableau des charges comprend : Communs généraux et privés – chauffage et eau - Assurances – Frais propriétaires et de fond de réserve
| 2022 | |||
| T1 | T2 | T3 | T4 |
| 490 € | 532 € | 443 € | 772 € |
| 2023 | |||
| T1 | T2 | T3 | T4 |
| 930 € | 490 € | 680 € | 602 € |
2- Répartition des charges - ACP la Dordogne - 2022/2023
DATA ROOM
Nous avons mis tous les documents importants dans la date room, n’hésitez pas à télécharger ce dont vous avez besoin !
Nous avons mis tous les documents importants dans la date room, n’hésitez pas à télécharger ce dont vous avez besoin !
Besoin de crédit
Maintenant que vous êtes sûrs d’avoir fait le bon choix, calculez la valeur totale de cette acquisition (valeur du bien et frais annexes) et estimez vos besoins en crédit !
Simulation de crédit
| Prix d'achat | € |
| Rénovation | € |
| Rénovation HTVA | {{ calculeData.renovationHTVA | number:2 }} € |
| TVA | {{ calculeData.tva | number:2 }} € |
| Fonds propres | € |
| Acompte dû (disponible au compromis de vente) | {{ calculeData.prix * 0.1 | number:2 }} € |
| Reste des liquidités (disponible à l'acte) | {{ calculeData.avance | number:2 }} € |
| Crédit pont | {{ calculeData.creditPont | number:2 }} € |
| Prix de vente de votre bien existant | € |
| Solde du crédit existant | € |
| Frais d'acte d'achat | {{ calculeData.droit + calculeData.fraisNotaire | number:2 }} € |
| Droits d'enregistrement | {{ calculeData.droit | number:2 }} € |
|
Abattement
Suis-je éligible à une réduction des droits d’enregistrement ? |
|
| Frais de notaire | {{ calculeData.fraisNotaire | number:2 }} € |
| Autres frais | {{ calculeData.inscription + calculeData.fraisDossier + calculeData.autreFrais | number:2 }} € |
| Frais liés à l'acte hypothécaire | {{ calculeData.inscription | number:2 }} € |
| Frais de dossier et expertise bancaire | {{ calculeData.fraisDossier | number:2 }} € |
| Autres frais | € |
| Montant du crédit | {{ calculeData.montantCredit | number:2 }} € | |
La présente simulation se base sur un taux d’intérêt du 28/10/2024. Ce calcul est indicatif et sujet à changement.
Choix du type de crédit
| Taux | Type | CAP | Mensualité | Mensualité Min | Mensualité Max | |
|---|---|---|---|---|---|---|
| {{ tx.banque }} {{ $index+1 }} | {{ tx.taux | number:2 }}% | {{ tx.type }} | -{{ tx.capNeg }}%/+{{ tx.capPos }}% | {{ tx.mens | number:2 }}€ | {{ tx.min | number:2 }}€ | {{ tx.max | number:2 }}€ |
| Taux | Type | CAP | Mensualité | Mensualité Min | Mensualité Max | |
|---|---|---|---|---|---|---|
| {{ tx.banque }} {{ $index+1 }} | {{ tx.taux | number:2 }}% | {{ tx.type }} | -{{ tx.capNeg }}%/+{{ tx.capPos }}% | {{ tx.mens | number:2 }}€ | {{ tx.min | number:2 }}€ | {{ tx.max | number:2 }}€ |
| Taux | Type | CAP | Mensualité | Mensualité Min | Mensualité Max | |
|---|---|---|---|---|---|---|
| {{ tx.banque }} {{ $index+1 }} | {{ tx.taux | number:2 }}% | {{ tx.type }} | -{{ tx.capNeg }}%/+{{ tx.capPos }}% | {{ tx.mens | number:2 }}€ | {{ tx.min | number:2 }}€ | {{ tx.max | number:2 }}€ |
Rentabilité
Cout total de l’acquisition
| Prix d'achat | {{ calculeData.prix | number:2 }} € |
| Rénovation | + {{ calculeData.prixTransRenovation | number:2 }} € |
| Frais | + {{ calculeData.frais | number:2 }} € |
| Coût total | + {{ calculeData.frais + calculeData.prixTransRenovation + calculeData.prix | number:2 }} € |
| Fonds propres + crédit pont | {{ calculeData.totalFP+calculeData.creditPont | number:2 }} € |
| Montant du crédit | {{ calculeData.montantCredit | number:2 }} € |
| Coût total | + {{ calculeData.creditPont + calculeData.totalFP + calculeData.montantCredit | number:2 }} € |
Rentabilité sur actifs
Durée de détention année(s)
Gain réel {{ calculeData.gainReel | number:0 }} €
Rendement sur actif {{ calculeData.rendementSurActif | number:2 }} %
Revenus
| Revenu locatif annuel Brut | € |
| Charge annuelle {{ calculeData.pourcentageCharge | number:2 }}% | {{ calculeData.chargeLocatifAnnuel | number:2 }} € |
| Précompte immobilier | {{ calculeData.precomteImmo | number:2 }} € |
| Autre charge annuelle | € |
| Revenu locatif annuel net | {{ calculeData.revenuLocatifAnnuelNet | number:2 }} € |
| Total revenu locatif après {{ calculeData.dureeDetention }} année(s) tenant compte d'une inflation de % |
{{ calculeData.totalRevenuLocatif | number:2 }} € |
| Plus-value latente | {{ calculeData.pluvalueLatente | number:2 }} % |
| Plus-value du bien après {{calculeData.dureeDetention}} année(s) | {{ calculeData.pluvalueBien | number:2 }} € |
| Total revenu locatif après {{ calculeData.dureeDetention }} année(s) | {{ calculeData.totalRevenuLocatif | number:2 }} € |
| Gain brut sur le prix de base après {{ calculeData.dureeDetention }} année(s) | +{{ calculeData.gainBrut | number:2 }} € |
Charges
| Durée du crédit | {{ calculeData.duree | number:2 }} ans |
| Taux | {{ calculeData.taux | number:2 }} % |
| Mensualité | {{ calculeData.mensualite | number:2 }} € |
| Total interêts après {{calculeData.dureeDetention}} année(s) | {{ calculeData.totalInteret | number:2 }} € |
| Total frais | {{ calculeData.frais | number:2 }} € |
| Total | {{ calculeData.InteretFrais | number:2 }} € |
Gain réel
Rendement sur actif
Cash flow
| Année | Coût | Revenu locatif | Gain |
|---|---|---|---|
| {{ $index }} | {{ ch.payment | number:2 }} € | {{ ch.revenuLocatif | number:2 }} € | {{ - ch.fondPropre | number:2 }} € |
Av. Louise 433 1050 Bruxelles - 02 648 01 20
Drève Richelle 96 1410 Waterloo - 02 354 29 39
Av. Prekelinden 83 1200 Woluwe-St-Lambert - 02 734 00 36